Mobile:+86-17717520739
Wechat:17717520739
Email:info@shxvalve.com
Address: NO.720, Suide Road, Jiading District,Shanghai, China.


2022-10-07
Jacketed plug valve is special types of plug valve designed with heating jackets. These heating jackets contain a hot medium used to add heat to the media flowing through the plug valve to ensure the fluid viscosity remains low to avoid crystallization. Jacketed plug valve manufacturer designs these valves to operate either manually or automatically. Jacketed plug valve operates by making a quarter turn on the valve stem. The rotation of the plug helps to align the plug port to the valve ports allowing fluid flow through the valve. To close the plug valve, the plug port is aligned perpendicular to the valve ports preventing fluid flow through the valve.


Jacketed plug valve manufacturer produce various types of valves such as automatic (electric or pneumatic actuator actuated) jacketed plug valve, lubricated jacketed plug valve, non-lurbricated jacketed plug valve, lift jacketed plug valve, 3 way jacketed plug valve and others. Applications of these plug valves include food processing, coal tar processing, fertilizer manufacturing, and bitumen processing, and other highly viscous media among others. The advantages of using jacketed plug valves are versatile, fast operation, simple and compact design, easy installation and repair, high strength and zero leakage among others.
So, in this article, let’s find out about Jacketed Plug Valve, how it works, its components, types and a wide range of applications,advantages and disadvantages.

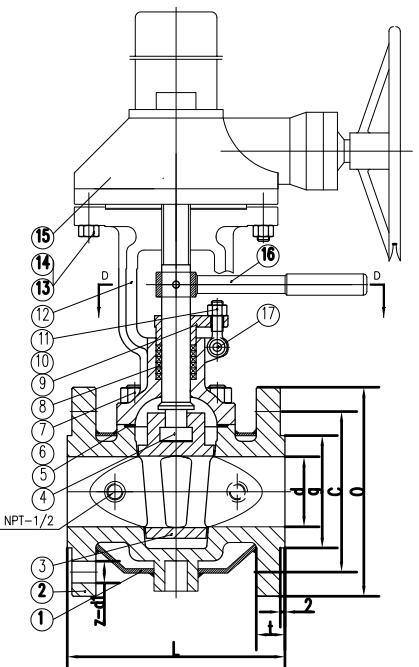
Hand lever or handwheel is a component used in manual jacketed plug valves and it is the part where the valve operator applies force to open or close the valve. The handwheel or lever is connected to the valve plug via a shaft component known as the stem.
Actuator
This is the component used in automatic jacketed plug valves. Its work is to provide the force or torque needed to operate the valve. The actuator is connected to the valve plug through the valve stem.
Stem
This is the component used to transmit torque from the handwheel or actuator to the plug. The stem is designed with threads so that when the handwheel/actuator rotates it can as well rotate as it moves vertically upwards or downwards.
Plug
This is the part of a jacketed plug valve that is used to start and stop fluid flow. The plug is powered by the valve handwheel or actuator via the stem. The plug is a solid component with a hole or more than one holes at its center. These holes are aligned to the valve ports by rotating the plug through a quarter turn to allow fluid flow.
Seat
This is an internal component of a jacketed plug valve placed on the valve body to provide a surface on which the plug rests to prevent fluid leakage when media flow is stopped.
Valve body
This is an external part of a jacketed plug valve used to house internal parts of the valve. Jacketed plug valve manufacturers produce the valve body using high-strength metallic materials such as carbon steel, stainless steel, and ductile iron among others. The high strength materials ensure the valve body is strong enough against high pressure and high temperature as well as withstand impact from falling objects. The body also contains the valve inlet and outlet ports.
Jackets
These are components made on the valve body and contain a hot medium to help in heating the media flowing through the valve to maintain the required viscosity.
Packing gland
This is a component used to prevent fluid leakage along the stem.
Gasket
The gasket is placed between the pipe and the body joint to prevent fluid leakage.
Also, jacketed plug valve manufacturer designs this valve for throttling use in which the plug is rotated slightly to make a 45o degree turn. However, when this valve is used for throttling, it results to double pressure drop which reduces efficiency.
This is the jacketed plug valve that uses lubricants or sealants to ease operation over a certain range of pressure. A lubricant film is placed between the valve body and the plug to provide a lubricant seal. As such, this valve needs to be lubricated frequently according to the instructions given by the jacketed plug valve manufacturer. The lubricant used should be able to withstand the operating temperature and should not be washed away by the fluid being transported. The lubricant or seal also helps to prevent wear of parts that come into contact as well as prevent corrosion.
Non-lubricated jacketed plug valve
This is the type of jacketed plug valve that uses a non-metallic elastomeric liner or sleeve in it. The sleeve is inserted into the body cavity. The plug acts as a wedge where it pushes the sleeve on the valve body. Jacketed plug valve manufacturers use this valve to reduce friction between the body and the plug. These valves are advantageous as they need minimal maintenance, unlike the lubricated types. These valves have the advantage of having a tight shut-off and are small in size.


Lift jacketed plug valve
Lift Jacketed Plug Valve is applicable to the cutting and connection of pipelines medium that aroused in various industries as petroleum, chemical industry, pharmacy, chemical fertilizer, power industry etc. under nominal pressure of CLASS150-1500 LbsS, and working temperature of -29~550°C.
a. The product has reasonable structure, reliable sealing, excellent performance and beautiful appearance.
b. Opening and closing of the valve is carried out while the sealed surface is taken off so it will not cause abrasion on the sealed surface.
c. Its characteristic double-direction flow makes installation and use more convenient.
d. The materials of the parts and sizes of flanges can be reasonably configured according the actual operation condition of the requirements of the customers, so as to meet the various needs of engineering.
As for the process of opening and closing of the plug valve, when opening the valve, first of all, turn the hand wheel to make the plug lifted and separated with the sealed surface, then turn the handle by 900 to make the channel of plug to the channel of valve body, so that the valve is opened; when closing the valve, first of all, turn the handle by 900 to make the channel of plug vertical to the channel of valve body, and then turn the hand wheel to descend the plug, so that the valve is closed.


3 Way jacketed plug valve
This is a jacketed plug valve that is used in the transportation and diversion of media, which can be T port or L port design according to the flow direction.. 3 way Jacketed plug valve manufacturers design this valve to help reduce the cost of buying several shut-off valves since a single multi-port plug valve will complete the work. However, there are cases in which this valve may not shut off media flow completely. As such, a lot of care should be taken when specifying the port arrangement to enhance the right valve operation.

Automatic jacketed plug valve
This is the version of the jacketed plug valve that is operated using actuators. This plug valve is convenient for use as it does not need a valve operator to provide the torque needed to start and stop. This type of valve is also the solution in case the valve operation needs a lot of torque and frequent operation.
Jacketed plug valve manufacturers design this valve to use three types of actuators which are hydraulic, pneumatic, and electric actuators. The hydraulic actuator uses hydraulic fluid to generate the torque needed to open the valve. This type of actuator is very powerful relative to other valves due to the use of hydraulic fluid which is incompressible. The pneumatic actuator employs compressed air to turn the valve stem to open/close the valve. This type of actuator is suitable for use in applications where high levels of hygiene are demanded since the air to be used can be filtered. The electric actuator uses electrical energy to operate the valve. This type of actuator converts electrical energy to mechanical energy. This mechanical energy is in terms of torque which when applied to the valve stem the valve opens or closes as necessary.


